Шема магнитолы Ореанда 203 — схематическое описание компонентов и принцип работы
Магнитола Ореанда 203 — это одна из наиболее популярных моделей магнитол, которые использовались в автомобилях производства Ореанда. Эта модель имеет простую и понятную схему, что позволяет легко разобраться в ее работе и производить необходимые ремонтные и настройочные работы. В данной статье будет представлена полная схема магнитолы Ореанда 203, а также ее распиновка, чтобы вы могли легче разобраться в устройстве и выполнять работу по ремонту и настройке.
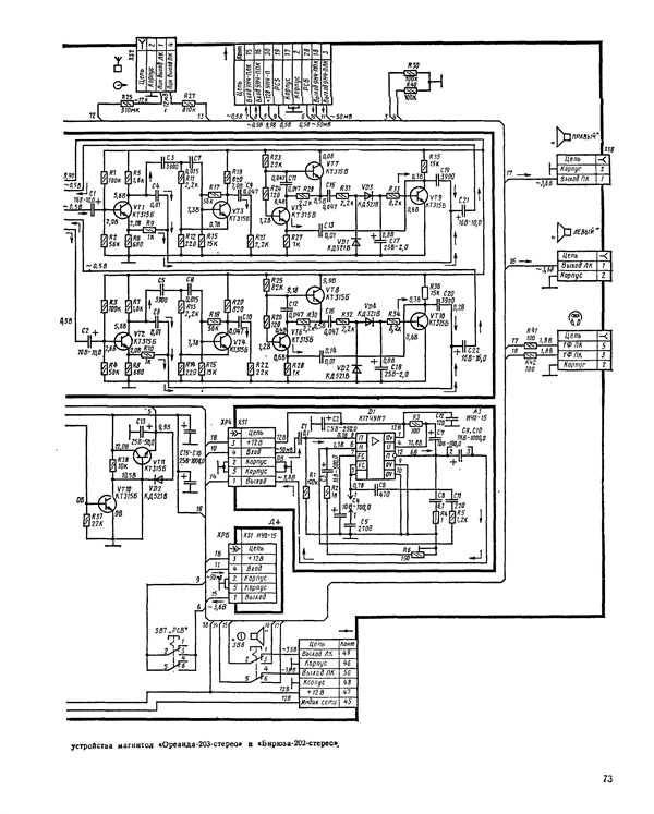
Схема магнитолы Ореанда 203 включает в себя все основные блоки и элементы управления. Она состоит из блока усилителя, блока тюнера, блока кассетного механизма и панели управления. Каждый из этих блоков имеет свое назначение и выполняет определенные функции в работе магнитолы.
Распиновка магнитолы Ореанда 203 позволяет подключить различные устройства и аксессуары. На задней панели магнитолы расположены разъемы для подключения антенны, динамиков, внешнего источника звука и других устройств. Зная правильную распиновку, вы сможете подключить необходимые аксессуары и воспроизводить звук с высоким качеством.
Магнитола Ореанда 203: схема и распиновка для ремонта и настройки
Чтобы успешно провести ремонт или настройку магнитолы Ореанда 203, необходимо знать ее схему и распиновку. Схема позволяет понять, как устроена каждая деталь и как они взаимодействуют друг с другом. Распиновка, в свою очередь, показывает, к каким контактам подключаются различные компоненты.
Если у вас возникли проблемы с магнитолой Ореанда 203, то следует обратиться к схеме и распиновке для проведения диагностики и ремонта устройства. Важно правильно идентифицировать проблему, чтобы знать, какие детали проверять и какие меры принять для ее устранения.
Имея доступ к схеме и распиновке магнитолы Ореанда 203, вы сможете также произвести настройку устройства. Настройка может включать в себя изменение частоты задержки звука, уровня громкости, равномерного баланса каналов и других параметров. Правильная настройка магнитолы позволит вам наслаждаться качественным и оптимальным звучанием.
Особенности магнитолы Ореанда 203
Магнитола Ореанда 203 отличается рядом особенностей, которые делают ее популярным выбором среди автомобилистов:
1. Качество звука
Магнитола Ореанда 203 обладает высоким качеством звука, который воспроизводится с минимальными искажениями. Благодаря технологиям цифровой обработки звука, пользователи могут наслаждаться чистыми и детальными звуковыми эффектами во время прослушивания радио, CD или других источников.
2. Удобство использования
Магнитола Ореанда 203 имеет интуитивно понятный интерфейс, который облегчает обращение с устройством. Удобная распиновка позволяет легко подключать различные устройства, такие как USB-флешки и MP3-плееры, для прослушивания музыки. Простое управление и навигация по меню позволяют быстро настраивать частоты радиостанций и выбирать треки для проигрывания.
3. Надежность и долговечность
Магнитола Ореанда 203 выполнена из качественных материалов, что обеспечивает ее долговечность и надежность в эксплуатации. Устройство имеет прочный корпус и надежные соединения, которые гарантируют стабильную работу магнитолы в течение длительного времени без сбоев и поломок.
| Спецификация | Значение |
|---|---|
| Мощность | 4 x 50 Вт |
| Частотный диапазон | 20 Гц — 20 кГц |
| Поддержка форматов | MP3, WMA |
| Интерфейсы | USB, AUX, RCA |
| Питание | 12 В постоянного тока |
Магнитола Ореанда 203 предлагает высококачественное звучание, удобное использование и надежность, что делает ее идеальным выбором для автомобилей.
Как работает магнитола Ореанда 203
CD-привод:
Одной из основных функций магнитолы Ореанда 203 является воспроизведение компакт-дисков. Внутри магнитолы располагается CD-привод, который считывает информацию с диска и преобразует ее в звуковой сигнал.
Радиоприемник:
Магнитола Ореанда 203 также оборудована радиоприемником, который позволяет слушать FM/AM радиостанции. Радиосигнал принимается антенной, а затем с помощью электронных компонентов преобразуется в аудиосигнал.
Усилитель:
Для усиления и улучшения звучания магнитолы Ореанда 203 оснащена встроенным усилителем. Он преобразует слабый аудиосигнал от CD-привода или радиоприемника в более мощный сигнал, который затем передается на динамики.
Динамики:
Магнитола Ореанда 203 имеет встроенные динамики, которые воспроизводят звуковой сигнал с помощью колебаний мембраны. Динамики аккуратно расположены внутри корпуса и обеспечивают качественное и объемное звучание.
Управление и настройка:
Магнитола Ореанда 203 имеет удобную панель управления, на которой расположены кнопки для выбора и регулировки различных функций. Также устройство оборудовано дисплеем, на котором отображается информация о текущем треке или радиостанции.
Выходы и входы:
Магнитола Ореанда 203 имеет различные выходы и входы для подключения внешних устройств. Например, такие как AUX-вход для подключения мобильных устройств или внешних аудиоисточников, а также разъем для подключения наушников.
В целом, магнитола Ореанда 203 является многофункциональным устройством для воспроизведения музыки и прослушивания радио. Она сочетает в себе компактность, качественное звучание и удобное управление, делая ее идеальным выбором для любителей музыки.
Ремонт магнитолы Ореанда 203: полезные советы

1. Проверьте подключение к электропитанию:
Перед началом ремонта убедитесь, что магнитола правильно подключена к источнику питания. Проверьте кабель питания на целостность и правильность подключения к розетке.
2. Проверьте состояние антенны:
Если магнитола Ореанда 203 имеет встроенную антенну или внешнюю антенну, проверьте их состояние. Убедитесь, что антенна правильно подключена и не повреждена. Если необходимо, замените антенну на новую.
3. Очистите поверхность магнитолы от пыли и грязи:
Перед проведением ремонта очистите поверхность магнитолы от пыли и грязи. Используйте мягкую ткань и специальное чистящее средство для электроники. Осторожно очистите все внешние элементы магнитолы.
4. Проверьте соединения внутри магнитолы:
Откройте магнитолу Ореанда 203 и внимательно проверьте состояние всех соединений и пайки на плате. Если обнаружены поврежденные или ослабленные соединения, припаяйте или замените их.
5. Проверьте работу механизма кассеты:
Если магнитола Ореанда 203 использует кассету, проверьте работу механизма кассеты. Убедитесь, что кассету можно надежно вставить и она правильно читается. Если есть проблемы с механизмом кассеты, очистите его от пыли и проверьте состояние всех деталей.
6. Произведите настройку магнитолы:
Если после проведения ремонта магнитола Ореанда 203 по-прежнему не работает, попробуйте произвести ее настройку согласно инструкции. Убедитесь, что все настройки и режимы работают корректно.
Помните, что ремонт магнитолы Ореанда 203 требует точности и внимательности. Если у вас возникли сложности или вы не уверены в своих навыках, лучше обратиться к профессионалам.
Схема магнитолы Ореанда 203: узнайте все подробности
Схема магнитолы Ореанда 203
Схема магнитолы Ореанда 203 включает в себя все основные компоненты и соединения, необходимые для ее работы. Она описывает расположение разъемов, кнопок и регуляторов на передней панели магнитолы, а также внутреннюю структуру, включая блоки питания, усилитель и секции приема сигнала.
Благодаря схеме магнитолы Ореанда 203 вы сможете легко понять, как устроена эта магнитола и получить доступ к необходимым компонентам для ремонта или замены. Она также поможет вам настроить магнитолу на оптимальные параметры звука и провести самостоятельное обслуживание.
Распиновка магнитолы Ореанда 203
Распиновка магнитолы Ореанда 203 также является важной информацией при ремонте или настройке. Она описывает расположение контактов на разъемах магнитолы и устанавливает соответствие между каждым контактом и его функцией.
Подробная распиновка позволит вам подключать различные внешние устройства к магнитоле, такие как акустические системы, усилители и другие компоненты. Она также поможет вам провести правильные соединения при ремонте или замене разъемов.
- 1. Контакт заземления
- 2. Контакт левого канала аудио
- 3. Контакт правого канала аудио
- 4. Контакт питания +12V
- 5. Контакт питания +5V
- 6. Контакт удаленного управления
- 7. Контакт дополнительного устройства 1
- 8. Контакт дополнительного устройства 2
С помощью схемы и распиновки магнитолы Ореанда 203 вы сможете провести ремонт, настройку и подключение внешних устройств с легкостью. Это позволит вам оптимизировать работу магнитолы и наслаждаться качественным звуком.
Актуальные проблемы и их решение при ремонте Ореанда 203
При ремонте магнитолы Ореанда 203 могут возникать различные проблемы, которые мешают ее правильной работе. В данном разделе мы рассмотрим некоторые часто встречающиеся проблемы и предложим их возможные решения.
Одной из распространенных проблем является отсутствие звука при воспроизведении. В первую очередь необходимо проверить подключение аудиокабелей и убедиться, что они надежно вставлены в соответствующие разъемы. Также следует проверить громкость настройки магнитолы и убедиться, что она не установлена на минимум. Если эти действия не привели к результату, возможно, проблема связана с неисправностью аудиоусилителя или динамиков — в таком случае рекомендуется обратиться к специалисту для проведения более глубокой диагностики и ремонта.
Еще одной распространенной проблемой может быть нечитаемость диска. Если магнитола Ореанда 203 не видит диск или постоянно выдает ошибку при его воспроизведении, следует проверить состояние самого диска. Повреждения или царапины на поверхности диска могут привести к его неправильному чтению. Также рекомендуется проверить и очистить лазерный блок магнитолы — для этого можно использовать специальные чистящие диски или обратиться к специалисту. В случае, если эти меры не помогли, может потребоваться замена лазерного блока магнитолы.
Другой проблемой, которую можно встретить при ремонте Ореанда 203, является неработающая кнопка выбора источника или других функций. В такой ситуации рекомендуется проверить целостность и правильность подключения платы управления кнопками. Иногда проблема может быть вызвана окислением или износом контактов — в этом случае плату управления можно попытаться прочистить специальным контактным спреем. Если эти мероприятия не помогли, возможно, потребуется замена платы управления кнопками.
Какие компоненты могут выйти из строя в магнитоле Ореанда 203
1. Электронные микросхемы
Одним из наиболее частых компонентов, который может выйти из строя в магнитоле Ореанда 203, являются электронные микросхемы. Это маленькие полупроводниковые устройства, которые выполняют различные функции, такие как усиление сигнала, обработка звука и декодирование данных. Если одна или несколько микросхем выйдут из строя, магнитола может перестать работать или работать неправильно.
2. Конденсаторы и резисторы
Конденсаторы и резисторы также являются важными компонентами магнитолы Ореанда 203. Они используются для фильтрации и регулирования электрического сигнала. Временами, конденсаторы могут производить шум или даже взрываться, а резисторы могут сгореть. Если эти компоненты выйдут из строя, магнитола может перестать правильно работать или даже перегореть.
3. Головка считывания и преобразования
Головка считывания и преобразования ответственна за считывание и преобразование аудиосигнала с диска или другого носителя. Эта часть магнитолы Ореанда 203 может изнашиваться со временем или быть повреждена. Если головка считывания и преобразования выйдет из строя, магнитола может перестать воспроизводить звук или читать диски.
Важно помнить, что ремонт магнитолы Ореанда 203 должен проводиться профессиональными специалистами, так как неправильный ремонт может привести к дополнительным повреждениям и даже опасности для здоровья. Если вы заметили проблемы с работой магнитолы, рекомендуется обратиться в сервисный центр для диагностики и ремонта.
Как настроить магнитолу Ореанда 203: шаг за шагом инструкция
Настройка магнитолы Ореанда 203 может показаться сложной задачей, но с помощью данной шаг за шагом инструкции вы сможете легко освоить все необходимые навыки.
Шаг 1: Подготовка

Перед началом настройки убедитесь, что у вас есть все необходимые инструменты: магнитола Ореанда 203, руководство пользователя, антенна FM-радио, аудиокабель.
Шаг 2: Подключение
Подключите магнитолу Ореанда 203 к источнику питания. Откройте руководство пользователя и найдите схему распиновки, чтобы правильно подключить магнитолу.
Вставьте аудиокабель в разъем на задней панели магнитолы и соедините его с аудиовыходом вашего источника звука (например, компьютера или смартфона).
Подключите антенну FM-радио к соответствующему разъему на задней панели магнитолы.
Шаг 3: Настройка FM-радио
Включите магнитолу Ореанда 203 и нажмите кнопку FM. Переключитесь на режим радио и выберите нужную волну.
При необходимости регулируйте антенну FM-радио для получения лучшего качества сигнала.
Используйте кнопки на передней панели магнитолы или пульт дистанционного управления для настройки частоты и выбора станций.
Шаг 4: Настройка других режимов
Магнитола Ореанда 203 также позволяет настраивать другие режимы, например, часы, уровень громкости, звуковые эффекты и т.д.
В руководстве пользователя найдите соответствующие инструкции по настройке этих функций.
Пользуйтесь кнопками на передней панели магнитолы или пультом дистанционного управления для выбора и настройки нужных параметров.
Подсказка: Если у вас возникли трудности при настройке магнитолы Ореанда 203, обратитесь к руководству пользователя или обратитесь за помощью к специалистам.
Удачной настройки и приятного прослушивания с магнитолой Ореанда 203!
Распиновка магнитолы Ореанда 203: узнайте о каждом контакте
Магнитола Ореанда 203 имеет специальную распиновку, которая определяет функции каждого контакта.
Вот подробная распиновка магнитолы Ореанда 203:
- Контакт №1: Питание (+12V). Подключается к аккумулятору автомобиля.
- Контакт №2: Питание (GND). Заземляющий контакт.
- Контакт №3: Контроллер CD-чейнджера.
- Контакт №4: Контакт управления громкостью.
- Контакт №5: Контакт управления балансом.
- Контакт №6: Контакт управления фейдом.
- Контакт №7: Контакт управления тоном (нч).
- Контакт №8: Контакт управления тоном (вч).
- Контакт №9: Аудиовход линейного уровня (L).
- Контакт №10: Аудиовход линейного уровня (R).
- Контакт №11: Запись/воспроизведение кассет.
- Контакт №12: Аудиовыход линейного уровня (L).
- Контакт №13: Аудиовыход линейного уровня (R).
- Контакт №14: Запись/воспроизведение кассет (ответный).
- Контакт №15: Запись/воспроизведение кассет (индикация).
- Контакт №16: Заземление корпуса магнитолы.
Это основные контакты магнитолы Ореанда 203, которые могут использоваться для ремонта, настройки и подключения дополнительных устройств.
Что делать, если магнитола Ореанда 203 не работает: проверенные рекомендации
1. Проверьте питание
Первым делом убедитесь, что магнитола подключена к электрической сети и источник питания функционирует. Проверьте розетку, кабель питания и переключатель питания на задней панели магнитолы. Убедитесь, что включатель находится в положении Включено. Если все в порядке, но магнитола всё равно не работает, переходите к следующему шагу.
2. Проверьте подключение антенны
Убедитесь, что антенна правильно подключена и находится в рабочем состоянии. Проверьте, что антенна плотно вставлена в разъем на задней панели магнитолы. Если возможно, проверьте работу антенны на другом устройстве. Если антенна исправна, но магнитола по-прежнему не работает, переходите к следующему шагу.
3. Проверьте состояние дисковода
Если в магнитоле установлен CD-привод, убедитесь, что диск правильно вставлен. Проверьте диск на наличие царапин или повреждений. Очистите поверхность диска от пыли и грязи. Если магнитола не читает диск или продолжает не работать, переходите к следующему шагу.
4. Проведите общую диагностику
Если предыдущие шаги не привели к результату, выполните общую диагностику магнитолы. Проверьте соединения внутри магнитолы, убедитесь в отсутствии повреждений платы и компонентов. Возможно потребуется заменить дефектные детали или обратиться к специалисту по ремонту аудиоаппаратуры.
Необходимо учитывать, что эти рекомендации являются общими и не исключают возможности других причин неисправности магнитолы Ореанда 203. Если вы не имеете достаточных знаний и опыта, рекомендуется обратиться к специалисту, который сможет произвести профессиональную диагностику и ремонт устройства.
Полезные советы для длительного использования магнитолы Ореанда 203
Чтобы ваша магнитола Ореанда 203 служила вам долго и надежно, мы предлагаем вам несколько полезных советов:
1. Регулярно чистите магнитолу
Пыль и грязь могут накапливаться на поверхности магнитолы, особенно в районе кнопок и разъемов. Регулярно протирайте ее мягкой, неметаллической тканью или специальными средствами для чистки электроники.
2. Избегайте перегрева
Магнитола Ореанда 203, как и любое электронное устройство, может перегреваться при длительном использовании. Поставьте ее в хорошо проветриваемое место и не закрывайте вентиляционные отверстия.
3. Осторожно обращайтесь с дисками
При вставке и извлечении дисков из магнитолы Ореанда 203 будьте аккуратны и осторожны. Избегайте появления царапин или других повреждений на поверхности дисков.
4. Не допускайте воздействия влаги
Магнитола Ореанда 203 не предназначена для работы во влажных условиях. Избегайте попадания на нее влаги и не используйте ее во время дождя или в ванной комнате.
5. Правильное подключение и отключение
Перед подключением или отключением магнитолы Ореанда 203 обязательно выключите ее и дождитесь полной остановки вращения компонентов. Это поможет избежать повреждений и коротких замыканий.
Следуя этим простым советам, вы продлите срок службы вашей магнитолы Ореанда 203 и сможете наслаждаться ее качественным звучанием на протяжении долгого времени.